Umweltschutzcontainer zu kaufen
[su_list icon=“icon: check-square-o“ icon_color=“#ed1c24″]
- zur Lagerung von flüssigen Gefahrgütern
- unsere Umweltschutzcontainer bieten wir zu günstigen Konditionen auch zur Miete an
[/su_list]
Kaufen Sie Mobilbox-Umweltschutzcontainer !
Für wen lohnt es sich, einen Umweltschutzcontainer zu kaufen?
[su_list icon=“icon: check-square-o“ icon_color=“#ed1c24″]
- Der für die Lagerung seiner Gefahrgüter eine sichere Lösung sucht;
- Der eine mobile, leicht installierbare Lösung sucht;
- Der den Umweltschutzvorschriften entsprechen will;
- Für den der Umweltschutz wichtig ist.
[/su_list]
Ihre Vorteile
[su_list icon=“icon: check-square-o“ icon_color=“#ed1c24″]
- rasche Angebotslegung und schnelle Lieferung
- flexible Anpassung an Ihre Bedürfnisse
- individuelle Zahlungsmodalitäten
- Planung, Lieferung, Montage und Service – Alles in einer Hand !
[/su_list]
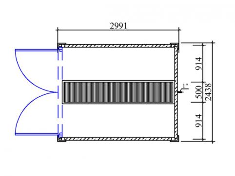
Zu verkaufende Umweltschutzcontainer – Eigenschaften und Abmessungen des Typs
MK10 Umweltschutz-Container
Bei der Gestaltung des für die Sammlung und temporäre Lagerung von Lieferverpackungen mit flüssigem Gefahrgut bzw. Abfall dienenden Containers haben wir die maximale Sicherheit berücksichtigt. Der Container ist geschlossen, mit Vollwand, an einem Ende mit zweiflügeliger, nach aussen aufgehender Tür. In der Bodenkonstruktion wurde ein Schadenrettungsgefäss entwickelt, aus welchem die sich eventuell sammelnde Flüssigkeit an der Kurzseite des Containers durch das 1” Auslaufrohr mit Gewindeanschluss abgelassen werden kann. An den beiden Langseiten des Containers befinden sich je zwei 300 x 300 mm grosse Lüftungsgitter. Die Konstruktion für die Abdeckung des Schadenrettungsgefässes wurde aus verzinktem Stahl angefertigt. So können bei Einhaltung der Vorschriften, die während der provisorischen Lagerung eventuell auslaufenden, gefährlichen Abfälle keine Umweltverschmutzung verursachen.
Normen und Verordnungen für die Gestaltung:
- über chemische Sicherheit: Gesetz Nr. XXV/2000 Slg., Verordnung 44/2000. (XII. 27.) EüM
- über Abfälle: Gesetz Nr. XLIII/2000 Slg., Regierungsverordnung Nr. 98/2001. [VI. 15]
- über Unfälle mit gefährlichen Stoffen: Gesetz LXXIV/1999
- über Brandschutz: Gesetz XXXI/1996, BM-Verordnung 2/2002 [l.23], BM-Verordnung
35/1996. [XII. 29] - über internationalen Strassentransport von Gefahrgütern: MSZ 9936 ungarische Norm
Maßtabelle
| TYP | Außenmaße | Außenmaße | Außenmaße | Innenmaße | Innenmaße | Innenmaße | Gewicht |
| L | B | H | L | B | H | Gewicht | |
| MK10 | 2,991 | 2,438 | 2,591 | 2,831 | 2,344 | 2,376 | 1,350 |
| MK20 | 6,058 | 2,438 | 2,591 | 5,898 | 2,344 | 2,376 | 2,200 |
SCHREIBEN SIE UNS
Unsere Dienstleistungen
[su_list icon=“icon: check-square-o“ icon_color=“#ed1c24″]
- Containervermietung
- Containerverkauf
- Containerleasing
- Beratung
- Containerplanung
- Containerherstellung
- Containerlieferung (Verkranung, Montage)
- Containertransport
- Containerwartung, Reparatur
- Bedienung von individuellen Ansprüchen
- Verkauf von Containerzubehör
- Verkauf von Plomben
[/su_list]
Verwendung von Bürocontainern
[su_list icon=“icon: check-square-o“ icon_color=“#ed1c24″]
- Projektbüro
- Bauleiterbüro
- Umkleideraum
- Mannschaftsraum
- Unterkunft
- Aufenthaltsraum
- Werkstätte
- Portierdienst
- Verkaufsfläche, Verkaufsraum
[/su_list]




