MAŁY KONTENER SANITARNY Kontener sanitarny MW 05
MOBILNA I NIEWIELKA TOALETA
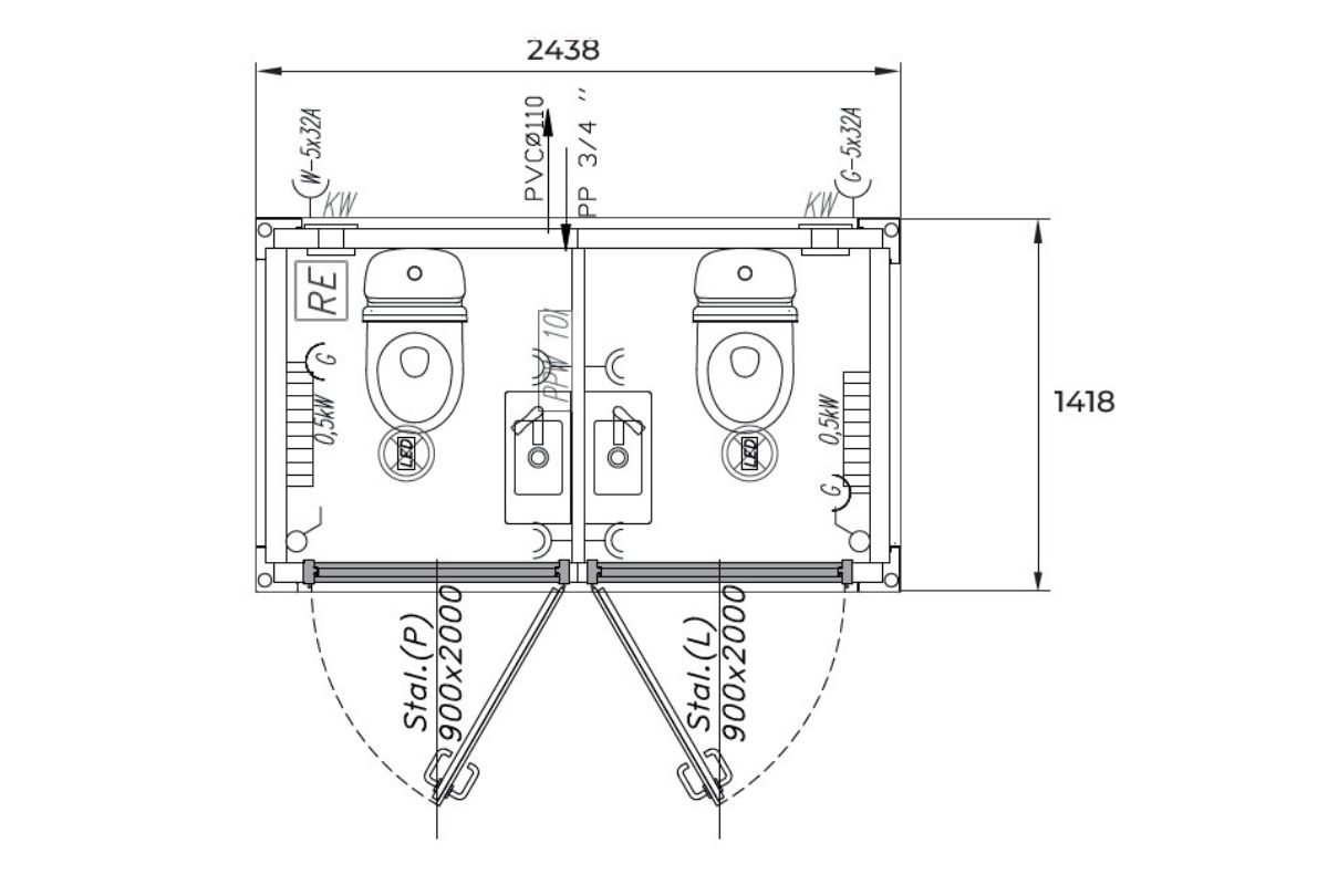
KONTENER SANITARNY MW 05
Kontener sanitarny MW 05 to kompaktowy sanitariat, podzielony na dwie kabiny, zaprojektowany z myślą o maksymalnej funkcjonalności i łatwości użycia, co czyni go idealnym wyborem w wielu sytuacjach. Niewielkie wymiary doskonale sprawdzą się na budowach, w strefach przemysłowych, podczas wydarzeń plenerowych czy w punktach obsługi klientów. Jego największym atutem jest mała wielkość i mobilność – można go łatwo ustawić w dowolnej lokalizacji i natychmiast zapewnić użytkownikom komfortowe zaplecze sanitarne. Obok niewielkich wymiarów jedną z największych zalet MW 05 jest jego łatwość podłączenia zarówno do istniejącej sieci kanalizacyjnej, jak i do zbiornika na fekalia, co umożliwia jego użytkowanie również w miejscach pozbawionych infrastruktury. Solidna konstrukcja i nowoczesne wykończenie czynią go praktycznym i estetycznym rozwiązaniem dla firm oraz organizatorów wydarzeń. Kontener sanitarny MW 05 to praktyczne i estetyczne rozwiązanie. Skontaktuj się z nami już dziś i dowiedz się, jak łatwo możesz zapewnić komfortowe zaplecze sanitarne w dowolnym miejscu! Zadzwoń +48 691 549 335
SPECYFIKACJA TECHNICZNA
KONSTRUKCJA:
stalowa, spawana rama podłogi, stropodachu oraz słupy usytuowane w narożach modułu. Elementy konstrukcji pokryte są powłokami antykorozyjnymi w kolorze czerwonym RAL 3000 – WYNAJEM lub w dowolnym kolorze – SPRZEDAŻ. Woda deszczowa odprowadzana jest rynnami PCV umieszczonymi wewnątrz słupów narożnych kontenera. Konstrukcja nośna kontenera w klasie EXC2 wg normy PN-EN 1090-1. Oznakowanie CE. Elementy spawane zgodnie z PN EN ISO 3834-2.
STROPODACH:
blacha ocynkowana o gr. 0,55 mm, płyta wiórowa gr. 12 mm, wełna mineralna gr. 50 mm, warstwa izolacyjna, płyta wiórowa: blacha lakierowana, styropian gr. 50 mm, blacha lakierowana biała. Charakterystyczne normowe obciążenie śniegiem 1,6 kN/m².
ŚCIANY ZEWNĘTRZNE:
blacha lakierowana gr. 0,55 mm w kolorze szarym RAL 7035 profilowana, styropian gr. 75 mm, blacha lakierowana gr. 0,55 mm w kolorze białym RAL 9010 gładka.
ŚCIANY WEWNĘTRZNE:
blacha lakierowana biała RAL 9010 gładka, styropian gr. 50 mm, blacha lakierowana biała RAL 9010 gładka oraz system ścianek działowych.
PODŁOGA:
od spodu: blacha trapezowa ocynk. 0,55 mm, wełna mineralna gr. 100 mm, folia polietylenowa paroprzepuszczalna, płyta gr. 20 mm, wykładzina PCV gr. 2 mm w kolorze szarym.
Maksymalne obciążenie podłogi 200 kg/m².
OKNA PCV:
(U), 565 x 535 mm, białe z szybą matową.
DRZWI:
zew. jednoskrzydłowe stalowe, białe, 900 x 2000 mm.
INSTALACJA ELEKTRYCZNO PODTYNKOWA:
- 2 gniazda 230 V,
- 1 wyłącznik,
- przewody w listwach PCV,
- oświetlenie: 2 x 18 W LED (oprawa plafonowa hermetyczna),
- rozdzielnica natynkowa z zabezpieczeniem, wyłącznik.
INSTALACJA GRZEWCZA:
- 1 grzejnik elektryczny 2000 W.
INSTALACJA WENTYLACYJNA:
- wentylator elektryczny 150 m³/h (w opcji dodatkowa kratka wentylacyjna).
INSTALACJA WODNO-KANALIZACYJNA NADTYNKOWA:
- instalacja wody zimnej wykonana z rur PP,
- instalacja kanalizacyjna wykonana z rur PCV.
WYPOSAŻENIE SANITARIATU:
Muszla toaletowa x 2, pisuar x1, umywalka x 2, podgrzewacz wody, lustro z półką x 2, uchwyt na papier toaletowy x 2.
Jesteś zainteresowany kupnem kontenerów sanitarnych?
Skontaktuj się z nami
Profesjonalni doradcy czekają na Ciebie: Warszawa, Łódź, Wrocław, Gdańsk, Kraków, Poznań, Rzeszów, Katowice, Szczecin, Dębica, Starachowice, Kielce, Białystok, Toruń, Dębica, Płock, Bydgoszcz, Zielona Góra, Suwałki, Lublin
Kontenery sanitarne – wymiary i cechy charakterystyczne
KONTENER SANITARNY wielostanowiskowy MS 28
Sanitarny z prysznicem
KONTENER SANITARNY prysznicowy MZ 20
Kontener sanitarny prysznicowy
KONTENER SANITARNO SOCJALNY MK 20
Kontener sanitarny z kuchnią
KONTENER SANITARNY MW05
Mały kontener sanitarny
KONTENER SANITARNY MW 10
Mały sanitariat damsko męski
KONTENER SANITARNY MS 10
Mały kontener sanitarny z prysznicem
ZBIORNIK SZAMBO MT 10
Mały zbiornik na ścieki i fekalia
ZBIORNIK NA FEKALIA MT 20
Zbiornik na ścieki do kontenerów
ZBIORNIK NA WODĘ MVT20
Zbiornik na wodę użytkową
KONTENER ZE ZBIORNIKIEM NA WODĘ
Zbiornik na wodę użytkową
NAPISZ DO NAS
Usługi kontenerowe
- wynajem kontenerów
- sprzedaż kontenerów
- leasing kontenerów
- doradztwo inwestycyjne
- projektowanie kontenerów
- producent kontenerów
- posadowienie kontenerów dźwigiem HDS
- montaż kontenerów i budynków modułowych
- serwis i montaż kontenerów
- transport i logistyka kontenerów
- naprawa i konserwacja kontenerów
- obsługa indywidualnych zamówień
- części do kontenerów morskich i magazynowych
- sprzedaż plomb do kontenerów
Przeznaczenie kontenerów
- biuro budowy
- szatnia pracownicza
- pomieszczenia socjalne
- zaplecza budowlane
- jadalnia i stołówka pracownicza
- zakwaterowanie pracowników
- ogrzewalnie z kontenerów
- zaplecze budowy
- kasa biletowa
- podręczny magazyn, garaż
- wynajem RTV i AGD
- wynajem regałów do kontenera
- kontener mieszkalny
- kontenery na dokumenty
- zbiorniki szamba na ścieki i fekalia
- wynajem mebli do kontenerów
Rodzaje kontenerów
- pawilon handlowy
- sala konferencyjna
- obiekt usługowy
- portiernia, budka strażnika, mistrzówka, wartownia
- warsztat z kontenera
- schronisko dla bezdomnych
- przedszkola i szkoły modułowe
- tymczasowe dworce
- zaplecza sportowe
- archiwum na dokumenty
- obiekt gastronomiczny kawiarnia
- sanitariaty i umywalnie dla pracowników
- kontenery na eventy
- obiekty dla uchodźców
